Как армировать фундамент
Особенности усиления фундамента
Армирование фундамента особенно важно на участках вероятных зон растяжения. Самое большое растяжение появляется у поверхности, где и должен быть расположен армированный каркас. Для блокировки коррозии металла его необходимо полностью закрыть слоем бетона.
Оптимальный промежуток между стержнями – около 4 см. Арматура с наибольшим диаметром (10-12 мм) и желательно с ребристой поверхностью должна быть установлена в верхней и нижней частях каркаса. Для остальных мест можно использовать гладкие прутья меньшего диаметра.
Арматура для фундамента должна иметь несколько обозначений:
- Значок «C». Указывает на свариваемость арматурного проката;
- Знак «K». Обозначает устойчивость арматуры к растрескиванию под воздействием коррозии.
Арматуру, не имеющую хотя бы одного значка, использовать для фундамента нельзя.
Экономия на арматуре выльется в некачественное армирование и неизбежное появление трещин. Деформация фундамента начнется с его поднятия, затем произойдет разрыв и сквозная трещина через всю конструкцию.
Количество арматуры в ленточном фундаменте
Согласно технологическим нормам, ленточный фундамент должен содержать продольную арматуру в количестве не меньше 0,1% от размера сечения ленты. К примеру, общая площадь арматурного сечения для основания высотой 120 см и шириной 40 см должна быть не меньше 48 см2.
Число продольных прутьев
Для определения объема продольных прутьев необходимо разделить общую площадь наименьшего арматурного сечения на диаметр рабочей арматуры и округлить полученное значение в большую сторону.
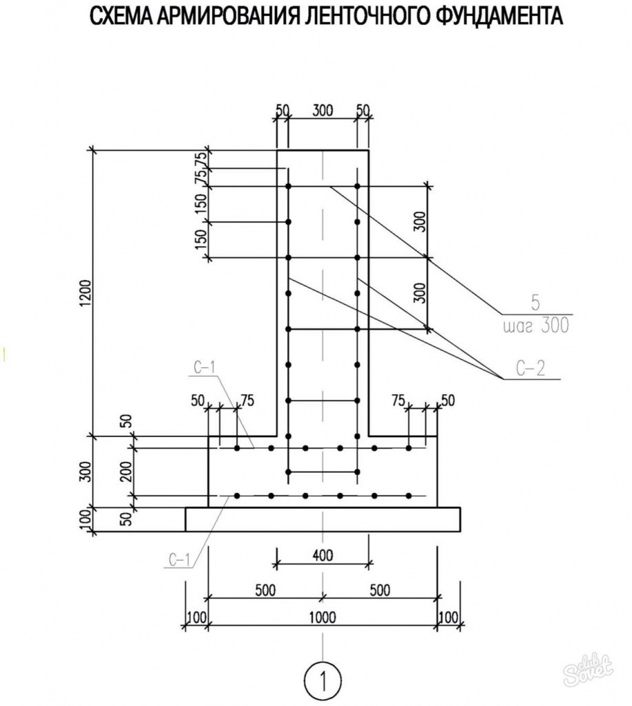
Усиление ленточного основания шириной около 40 см производится 4 арматурными стержнями сечением 10-16 мм. Для их соединение берется арматура шириной 6-8 мм. Расстояние между продольными прутьями составляет 30 см.

Технология армирования
Усиление фундамента необходимо начинать с подготовительного этапа: расчистить место, выкопать траншею и собрать опалубку. Конструкция последней должна быть выше уровня будущего основания.
Затем необходимо вбить в дно траншеи арматурные прутья на расстоянии 2 м друг от друга. Длина стержней должна быть не меньше глубины фундамента. К этим прутьям приваривают или привязывают оставшиеся элементы каркаса. Углы конструкции соединяют только вязальной проволокой.

Нижний ряд арматуры не должен касаться дна траншеи. Между грунтом и каркасом необходимо оставить промежуток не меньше 8 см. Соблюсти такое расстояние можно при помощи кирпичей, установленных на ребро на низ канавы.
Усиление ступеней
Участок, где будут происходить строительные работы, не всегда бывает идеально ровным. В этой ситуации обустраивают «ступенчатый» фундамент, который отличается собственной схемой армирования.
Участки фундамента, где бетонная масса не сможет самостоятельно выдержать поперечное давление, должны быть усилены поперечной арматурой с минимально возможным шагом.
Рекомендуется усиление ступеней на метр от уступа. Затем по верхнему ряду каркаса и по верху подошвы укладываются 2-х метровые отрезки арматуры (серединой над уступом). В конце устанавливается поперечные прутья в 1 метре от уступа, с промежутком в 1,5 метра.
Усиление углов: особенности
Угловой участок железобетонного основания – это место максимального напряжения. Расположенная здесь арматура подвергается разнонаправленным сжатию и растяжению. В связи с этим, плохо выполненное армирование углов грозит ослаблением всего фундамента.

К примеру, если арматура здесь соединена неправильно или состоит из нескольких стержней, то ленточное основание перестанет быть единой жесткой конструкцией, а будет представлять из себя набор отдельных балок. По истечению времени бетон в углах начнет расслаиваться, на нем появятся трещины и сколы.
Чем соединять арматуру?
Большинство строителей считает, что для изготовления каркаса нужно использовать в основном вязальную проволоку. Обвязка производится при помощи специального стального крючка. Нужно взять проволоку, согнуть ее пополам и завести под пересечение арматурных элементов. Поддеть заточенным концом крючка проволочную «петлю», после чего соединить ее со второй половиной при помощи 2-3 вращательных движения.
Места стыков связывают только с целью их дальнейшего закрепления сваркой.
Каркасная конструкция должна быть собрана из продольных прутьев одинакового диаметра, расположенных равномерно по ширине канавы. Если же будет использоваться арматура различного сечения, то на низ каркаса, угловые точки и точки перегиба хомутов необходимо уложить более широкие стержни.
При усилении фундамента необходимо понимать, что нельзя располагать стержни верхнего ряда над промежутками между нижними элементами. Ширина продольных прутьев должна быть выше диаметра поперечных.
Завершив армирование фундамента, необходимо сделать вентиляционные проходы, увеличивающие вентиляционные качества конструкции и препятствующие гнилостным процессам.

Соблюдение технологических особенностей армирования гарантирует усиленную прочность фундамента, а значит, более долгий срок службы здания.